三合一过滤洗涤干燥机(底盘可拆卸结构)

简介Brief introduction
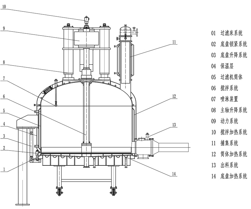
该设备由不锈钢制立式容器、搅拌装置、轴端密封装置、升降机构、液压缸、底盘、加热装置、传动机构、滤板、卸料装置、取样装置、支架、控制系统等部件组成,实现机电-体化。
特点Characteristic
在同一容器内进行过滤、洗涤、干燥全过程连续操作:
1、过滤:在加压或真空状态下操作,实现固液分离,过滤时滤饼平整,固液分离效果好;
2、洗涤:在容器内侧装有特制喷淋装置,使清洗液均匀分布于容器内可实现容器内部清洗和物料清洗,通过升降搅拌桨叶搅拌将滤饼和清洗液混合,使浆状悬浊液滤饼得到充分洗涤;
3、干燥:滤饼被搅拌桨叶逐层刮松,设备加热装置均匀对滤饼加热,在真空状态下用热气体对混合物料加热,加速蒸发达到干燥;
4、卸料:刮松物料,通过搅拌叶推动从罐壁侧面出料口自动卸料。
5、过滤托盘为金属烧结网( 316L )与托盘架焊制而成,滤网孔径可根据用户从0.5 μm到50 μm.之间选择。

材质 Material

304、316L、Ta2、哈氏合金、衬塑、喷涂F30\F40(或由用户工艺选用)

 

 

三合一过滤洗涤干燥机(底盘可拆卸结构)
序号 型号 桶内内径
(mm)
过滤面积
(mm²)
容积
(m³)
提升高度
(mm)
电机功率
(kw)
外形尺寸
(长x宽x高)
出料阀口径
(mm)
出料阀
出料形式
出料口距
地面高度
(mm)
捕集器
规格
1 SHY-0.25HS 600 0.25 0.24 225 2.2 2350x1380x3100 DN200 液压马达出料 800 DN80
2 SHY-0.5HS 800 0.5 0.5 250 4 2350x1660x3350 DN200 液压马达出料 800 DN100
3 SHY-0.75HS 1000 0.75 0.9 300 5.5 2650x2100x3300 DN200 液压马达出料 600 DN125
4 SHY-1HS 1200 1 1.3 300 11 3100x1980x3370 DN250 液压马达出料 600 DN150
5 SHY-1.5HS 1400 1.5 1.5 300 11 3100x2290x3650 DN250 液压马达出料 800 DN200
6 SHY-2HS 1600 2 2.4 350 15 3400x2280x3700 DN300 液压马达出料 600 DN200
7 SHY-2.5HS 1800 2.5 3.3 400 15 3750x2600x3880 DN300 液压马达出料 600 DN200
8 SHY-3HS 2000 3 4 400 18.5 4100x3000x3870 DN300 液压马达出料 600 DN200
9 SHY-4HS 2300 4 5.5 450 18.5 4200x3250x4150 DN300 液压马达出料 800 DN250
10 SHY-4.5HS 2400 4.5 6 450 18.5 4300x3350x4150 DN300 液压马达出料 800 DN250
11 SHY-5HS 2600 5 7 450 22 4750x3600x4050 DN300 液压马达出料 600 DN300
12 SHY-6HS 2800 6 8.5 450 30 4550x3600x4550 DN300 液压马达出料 700 DN300
13 SHY-7HS 3000 7 10.8 450 37 4770x3800x4680 DN400 液压马达出料 700 DN300
备注 分体式底盘三合一尺寸只能做到3米直径